


€159.00( Bez PVN )
Šī ir aptuvenā cena, tā var mainīties pie pasūtījuma pieprasījuma.
1
DIGITĀLAIS TEMPERATŪRAS KONTROLIERIS TR-100M—
€159.00
DIGITĀLAIS TEMPERATŪRAS KONTROLIERIS TR-100M
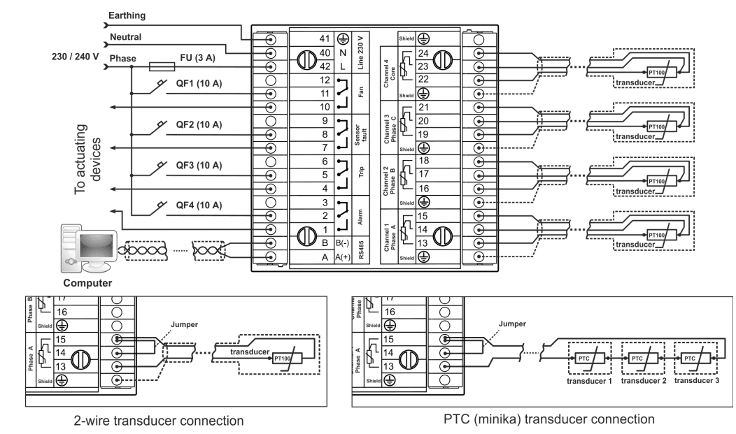
ТR-100М ir uz mikroprocesoru balstīta ierīce, kas paredzēta temperatūras režīma mērīšanai un kontrolei sausā tipa transformatoram ar četriem devējiem, kas savienoti ar divu vai trīs vadu ķēdi. Attēlo temperatūra displejā un nosūta trauksmes signālu , ja kādi parametri pārsniedz iepriekš iestatītās robežas. Produktu var izmantot arī motoru un ģeneratoru aizsardzībai. Produktam ir universāls barošanas avots no 24 līdz 265 V (AC vai DC) un savienojums ar tīklu EIA/TIA485 ar MODBUS RTU / ASCII protokolu. Produkts savietojams ar šāda veida temperatūras devējiem: – PT100 – PT1000 – PTС1000 (EKS111) – PTC (minika).