

Šī ir aptuvenā cena, tā var mainīties pie pasūtījuma pieprasījuma.
OM-310 jaudas ierobežotājs
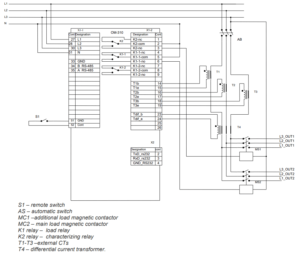
OM-310 jaudas ierobežotājs ir paredzēts: patērētāju aizsardzība sliktu elektrotīkla parametru gadījumā, pilnīga slodzes atvienošana, ja patērētā jauda pārsniedz primāro slieksni lietotāja noteiktā laikā, daļēja slodzes atvienošana, ja patērētā jauda pārsniedz sekundāro slieksni lietotāja noteiktā laikā, trīsfāžu elektriskā tīkla parametru mērīšana un attēlošana (fāzes un līnijas spriegumu pašreizējās vērtības; tiešās, reversās un nulles secības spriegumi; fāzes strāvu pašreizējās vērtības; aktīvā, reaktīvā un kopējā slodzes patērētā jauda un jaudas koeficients cos φ) Brīdinājums par ārkārtas situācijām attālināti savienojot un atvienojot slodzi, izmantojot RS-232 / RS485 saskarni vai ārējo slēdzi; Ierīce atbalsta darbību ar slodzēm no 2,5 kW līdz 30 kW, izmantojot iebūvētus strāvas transformatorus, un līdz 350 kW, izmantojot ārējos strāvas transformatorus, ieskaitot tīklus ar izolētu neitrālu. OM-310 nodrošina šādus patērētāju aizsardzības veidus: sliktas tīkla sprieguma kvalitātes gadījumā (nepieņemami sprieguma pārspriegumi, fāžu pārtraukumi, fāžu secības pārkāpumi, fāzes bloķēšana, fāzes/līnijas sprieguma nelīdzsvarotība) ja tiek pārsniegta maksimālā iestatītā strāva katrā slodzes fāzē, noplūdes strāvām uz "zemes". Katram aizsardzības veidam ir iespējams iespējot vai atspējot automātisko slodzes atkārtotu savienojumu. Elektroiekārtu aizsardzība tiek nodrošināta, kontrolējot magnētiskā startera (kontaktora) spoli.
.jpg&w=3840&q=50)










