

Šī ir aptuvenā cena, tā var mainīties pie pasūtījuma pieprasījuma.
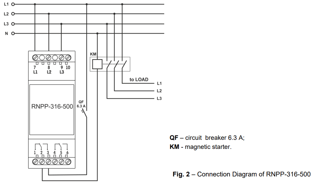
TRĪSFĀZU SPRIEGUMA UN FĀŽU KONTROLES RELEJS RNPP-316-500
Releja darbība: kontrolēt pieļaujamo sprieguma līmeni; kontrolēt pareizu fāžu maiņu un fāzes salipšanas neesamību; kontrolēt tīkla sprieguma pilnfāzu un simetriju (fāzes kropļojumu); nekvalitatīva tīkla sprieguma gadījumā izslēgt slodzi; kontrolēt tīkla spriegumu pēc slodzes izslēgšanas un automātiskas ieslēgšanas pēc sprieguma parametru atjaunošanas; uzrāda avārijas situāciju, kad notiek avārijas situācija, un parādītu sprieguma klātbūtni katrā fāzē. RNPP-316-500 veic nulles kontroli ar netiešu metodi. Nodrošina parametru pielāgošanas iespēju (sprieguma aktivizācijas slieksnis ar atsevišķiem minimālā/maksimālā sprieguma iestatījumu regulējumiem, pārslēgšanas laiks un aizsardzības aktivizācijas aizkaves laiks). Pēc tīkla sprieguma parametru atjaunošanas produkts pēc atkārtotas aizkaves laika atkal ieslēdz slodzi. Relejam ir divas neatkarīgu izejas pārslēgšanas kontaktu grupas (1-2-3, 4-5-6). "COLD STATE" (izstrādājums bez sprieguma, nav pievienots) kontakti 1-2 (4-5) ir aizvērti un kontakti 2-3 (5-6) ir atvērti. Kad slodzes relejs ir aktivizēts, slodze tiek izslēgta, pārtraucot kontaktora spoles barošanas ķēdi caur kontaktiem 2-3 (5-6).
.jpg&w=3840&q=50)










